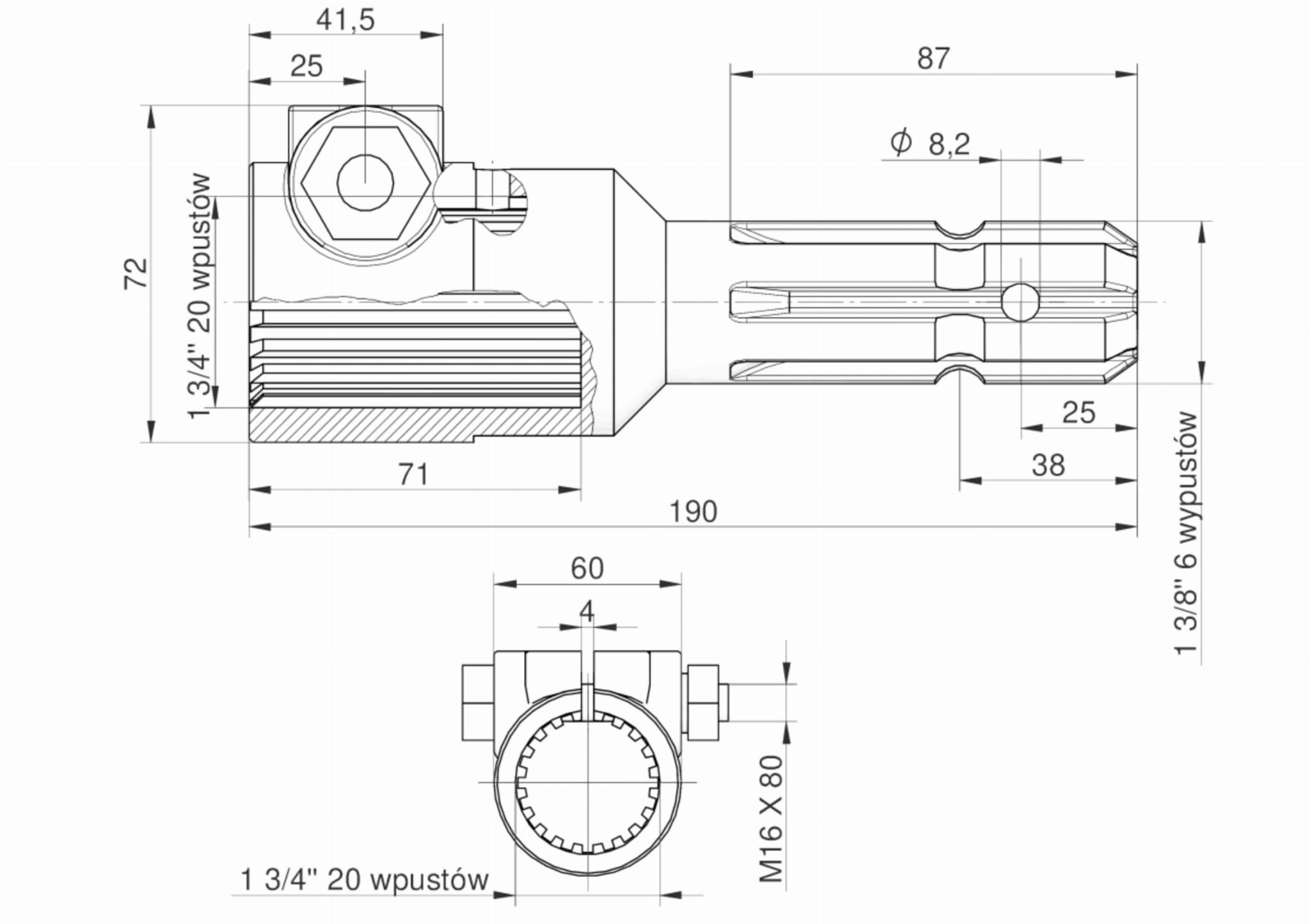
Redukcja wałka WOM adapter na śrubę 1 3/4" 20 wpustów na wałek 1 3/8" 6 wpustów MORGA
Opis
Redukcja, końcówka wałka WOM
Nasze części gwarantują zadowolenie Klienta!
Dane techniczne:
✔️ Długość całkowita: 190 mm
✔️ Długość wałka: 89 mm
✔️ Długość frezu: 89 mm
✔️ Zabezpieczenie: śruba
✔️ Wałek: 1 3/8" 6 wpustów
✔️ Tuleja: 1 3/4" 20 wpustów
Zastosowanie:
✅ Wałki odbioru mocy
Numer katalogowy:
➡ 246616M
➡ 246616
➡ 61471342013806175
Cechy produktu:
✅ Trwały i solidny
✅ Produkt polski
✅ Uznany producent MORGA
✅ 5 lat gwarancji
