Redukcja wałka WOM adapter otwór wew. Q 25 mm na wałek 1 3/8" 6 wpustów MORGA
Opis
Redukcja, końcówka wałka WOM MORGA
Nasze części gwarantują zadowolenie Klienta!
Dane techniczne:
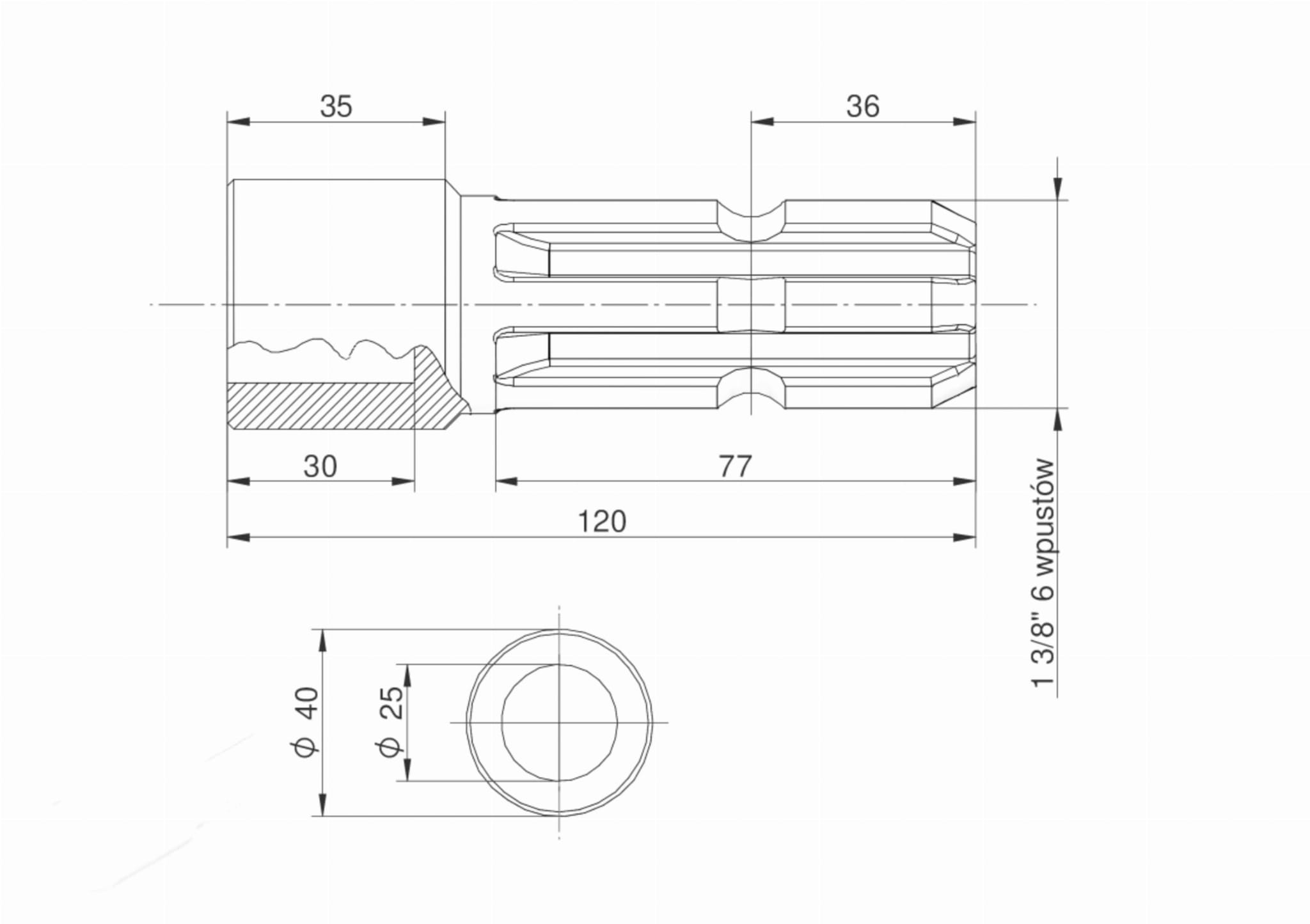
✔️ Długość całkowita: 120mm
✔️ Długość wałka: 75mm
✔️ Długość frezu: 77mm
✔️ Zabezpieczenie: otwór
✔️ Wałek: 1 3/8 " 6 wpustów
✔️ Tuleja: średnica 25mm
Zastosowanie:
✅ Wałki odbioru mocy
Numer katalogowy:
➡ 246628M
Cechy produktu:
✅ Trwała i solidna
✅ Produkt polski
✅ Uznany producent MORGA
✅ 5 lat gwarancji
